一、现状分析
干式变压器由于具有难燃、安全、维护方便、体积小等特点,已在城市的高层建筑和电站等场所得到广泛的应用。随着城市建设规模的扩大,要保证城市电力送的进、供得出、用得上,干式变压器将成为城市电力的重点。干式变压器是输配电系统的关键设备,它们的安全可靠性和使用寿命,对整个输配电系统的安全可靠运行和寿命是至关重要的。干式变压器长期工作在高电压、大电流、强磁场的环境中,一些连接处等部位因老化或接触电阻过大而发热使得热量聚集。发热温升不仅增加了输电系统的损耗,而且如果散热不良还会危及设备的正常运行,甚至会造成故障,其经济损失不可估量。
干式变压器内部的很多物理和化学变化(如局部放电和局部过热等)都会引起变压器的温度参数发生变化,使变压器出现不同于正常运行的温升轨迹。温度对绝缘材料的老化起决定作用,因此准确地测量干式变压器绕组温度就显得尤为重要。随着安全用电、配电网自动化水平的不断提高,除对电参数进行监测外,直接监测变压器的热点温度,对于提高设备的安全运行、 延长设备绝缘寿命、即时判断设备的实际负荷能力,最大程度发挥输配电潜能以提高设备的经济效益等,具有非常重要的意义。干式变压器的运行安全和使用寿命, 很大程度上取决于变压器绕组绝缘。绕组温度超过绝缘耐受温度使绝缘破坏,是导致变压器不能正常工作的主要原因之一。对变压器除采用自然空气冷却外, 还采用强迫空气冷却, 以降低绝缘温度, 提高变压器输出容量。
因此, 对变压器绕组的运行温度进行监测十分重要。
二、特点优势
(1)光纤本身具有电磁绝缘性,不受电磁干扰
(2)无源实时监测
(3)体积小,重量轻
(4)灵敏度高,使用寿命长
(5)数据可实时回传后台,实现在线监测,减少运维成本
(6)支持风机启停、超温报警、超温跳闸功能,具有RS485、RJ45、4-20mA等接口
三、具体方案
3.1安装方案
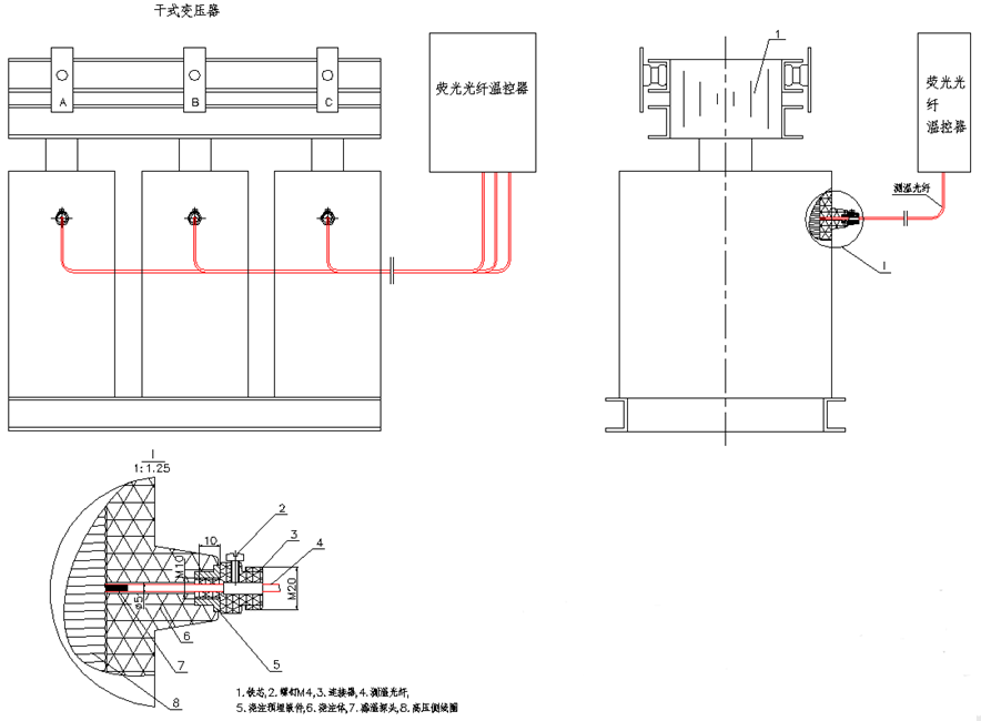
如图所示,干式变压器主机可根据现场具体情况使用多种安装方式(底板式安装、面板式安装、支架式安装),测温光纤也有两种安装方式(低压侧安装、高压侧安装)测温光纤可对绕组A\B\C线圈、A\B\C铁芯温度进行直接接触式温度测量;



3.2 后台监控
可接入综自监控系统
设备支持MODBUS、IEC 61850(需选配专用协议转换器)通信协议,开放温度点表。

